Putting it all together
In part 1 and part 2 of this posts I investigated and designed the components for a solar-powered Morse thermometer. In part 3 everything gets connected.
In order to get the most out of the collected sunlight it is important to use as little power as possible. A red LED is a good choice here, because it only has a forward voltage of 1.7 Volts. So it will consume only about half the power of a white LED with a forward voltage of about 3.3 Volts.
Perhaps you remember that I had found out that even when the LED is not lit, the boost circuit from the solar lamp draws about 7mA. So it was important to switch it off during the time the thermometer is in stand-by.
Let's have a look at the original lamp circuit again.
To improve efficiency, I think it makes sense to rewire the LED so that the cathode is connected to ground.
An obvious way of connecting the two circuits would be to just replace the existing LED with the thermometer circuit. Like so:
This would probably work, but it has one disadvantage: The thermometer would only get activated at night - just like the original solar lamp.
It would make much more sense to control the booster circuit, so that the LED gets only supplied if it is to be switched on. See the following circuit.
This circuit is half way there. The controller now activates the booster circuit in order to switch the LED on. As long as the LED is off, the booster is off, so it consumes no power.
There are a few more modifications (see the blue boxes):
Note that in most solar charging circuits there would be an extra diode (top left - marked as "not used"). This diode's function is to avoid the battery discharging when the solar cell is in the dark. But as calculated in part 2, the loss of charge is negligible for this set-up.
The Final Twist
But it is obvious that this isn't the full circuit. The controller is still powered by a separate 3.3 Volts power source. We can of course use the LED supply instead.
But there is a problem with that. If we disable the booster, we also take away our own power supply. In order to get around this problem, the controller gets a buffer capacitor. It acts as a temporary energy storage for the time when the capacitor is switched of. A diode makes sure that the buffer doesn't discharge through the LED. Here is the final circuit.
There is now a transistor to disable the LED. This is because the buffer capacitor needs recharging periodically. The LED should not light up in these moments. This is the reason for the transistor: For charging the controller's power supply, we activate the booster but disable the LED. To switch on the LED we activate the booster and open the transistor.
As measured before, the booster voltage potentially could go up to 7 Volts. In order to avoid damaging the controller, I added a string of two green LEDs in parallel with the supply capacitor. They limit the voltage to about 4 Volts. If the recharging intervals are chosen well, those green LEDs should never light up. If they do, power is wasted.
Here is a view of the voltage level on the controller's supply.
It shows initially the idle phase with periodical charging of the supply capacitor (about twice / second). Then, the LED gets activated, resulting in several longer discharge periods.
Finally, there is an interesting question regarding the availability of battery power. What happens, if the battery runs out of charge? Well, of course, the circuit won't work anymore.
But once the sun is back in the sky and the battery gets charged, the booster will be activated. This is, because the controller has to actively drive the CE pin of the step-up IC to "low" in order to de-activate it. No power - no inhibit signal.
And then, everything is back to normal. The controller will spring back to life and the LED gets activated as before. So the whole circuit is self-starting.
Observations
So far, the thermometer seems to work fine. Even in bad weather, the supply appears to be sufficient for operation over all of 24 hours. Accuracy seems OK, compared to the local weather report I sometimes get higher, sometimes lower readings.
The LED is directed towards our house so I can read it even in bright sunlight. At night it is almost too bright. It might be an option to add a light sensor to detect night and daytime. The LED brightness could then be adjusted using PWM. This would reduce power consumption even further.
In part 1 and part 2 of this posts I investigated and designed the components for a solar-powered Morse thermometer. In part 3 everything gets connected.
In order to get the most out of the collected sunlight it is important to use as little power as possible. A red LED is a good choice here, because it only has a forward voltage of 1.7 Volts. So it will consume only about half the power of a white LED with a forward voltage of about 3.3 Volts.
Perhaps you remember that I had found out that even when the LED is not lit, the boost circuit from the solar lamp draws about 7mA. So it was important to switch it off during the time the thermometer is in stand-by.
Let's have a look at the original lamp circuit again.
To improve efficiency, I think it makes sense to rewire the LED so that the cathode is connected to ground.
An obvious way of connecting the two circuits would be to just replace the existing LED with the thermometer circuit. Like so:
This would probably work, but it has one disadvantage: The thermometer would only get activated at night - just like the original solar lamp.
It would make much more sense to control the booster circuit, so that the LED gets only supplied if it is to be switched on. See the following circuit.
This circuit is half way there. The controller now activates the booster circuit in order to switch the LED on. As long as the LED is off, the booster is off, so it consumes no power.
There are a few more modifications (see the blue boxes):
- The cathode of the solar cell is now connected to ground. As you would expect it is now connected in parallel with the battery.
- The 100nF capacitor is replaced by a 10µF capacitor in order improve filtering.
- The now redundant 100nF capacitor can be reused to smoothen the input current.
- There is a series resistor in the line that controls the booster circuit. This resistor is there to limit the control current.
- As in the circuit before, the LED is connected to ground with its cathode. The LED is an ultra-bright red LED.
Note that in most solar charging circuits there would be an extra diode (top left - marked as "not used"). This diode's function is to avoid the battery discharging when the solar cell is in the dark. But as calculated in part 2, the loss of charge is negligible for this set-up.
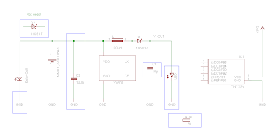
The Final Twist
But it is obvious that this isn't the full circuit. The controller is still powered by a separate 3.3 Volts power source. We can of course use the LED supply instead.
But there is a problem with that. If we disable the booster, we also take away our own power supply. In order to get around this problem, the controller gets a buffer capacitor. It acts as a temporary energy storage for the time when the capacitor is switched of. A diode makes sure that the buffer doesn't discharge through the LED. Here is the final circuit.
There is now a transistor to disable the LED. This is because the buffer capacitor needs recharging periodically. The LED should not light up in these moments. This is the reason for the transistor: For charging the controller's power supply, we activate the booster but disable the LED. To switch on the LED we activate the booster and open the transistor.
As measured before, the booster voltage potentially could go up to 7 Volts. In order to avoid damaging the controller, I added a string of two green LEDs in parallel with the supply capacitor. They limit the voltage to about 4 Volts. If the recharging intervals are chosen well, those green LEDs should never light up. If they do, power is wasted.
Here is a view of the voltage level on the controller's supply.
It shows initially the idle phase with periodical charging of the supply capacitor (about twice / second). Then, the LED gets activated, resulting in several longer discharge periods.
Finally, there is an interesting question regarding the availability of battery power. What happens, if the battery runs out of charge? Well, of course, the circuit won't work anymore.
But once the sun is back in the sky and the battery gets charged, the booster will be activated. This is, because the controller has to actively drive the CE pin of the step-up IC to "low" in order to de-activate it. No power - no inhibit signal.
And then, everything is back to normal. The controller will spring back to life and the LED gets activated as before. So the whole circuit is self-starting.
Observations
So far, the thermometer seems to work fine. Even in bad weather, the supply appears to be sufficient for operation over all of 24 hours. Accuracy seems OK, compared to the local weather report I sometimes get higher, sometimes lower readings.
The LED is directed towards our house so I can read it even in bright sunlight. At night it is almost too bright. It might be an option to add a light sensor to detect night and daytime. The LED brightness could then be adjusted using PWM. This would reduce power consumption even further.






Can you please post the HEX file also? The one with the original morse code blinking?
ReplyDeleteHello, Tom!
ReplyDeleteI am also making a thermometer using parts harvested from solar-powered light. I met a russian article about how to make YX8018 a stabilized power supply:
http://www.radioradar.net/radiofan/lighting/yx8018.html
The idea is to use CE pin to deactivate the converter when output voltage is high enough. To do this a MOSFET is connected to CE pin with its gate connected to a voltage divider at the output. I tried to do this and got very good results, 95% efficiency with 3V 1mA output.
Good luck!
Hi Tom
ReplyDeleteSuper project, thanks for sharing :-)
Best regards
Peter